Лемех ПСК


Лемех ПСК Лемех ПСК Чертеж Лемех ПСК вид сзади Лемех ПСК заточка

Лемех на Плуг ПСК, ПСКу и ПСКуМ (плуг скоростной комбинированный)

Из преимуществ ПСК лемехов можно указать две режущие кромки. А так же высокую износ

При производстве Лемехов выдерживается полный технологический процесс. Лемех ПСК изготовлен из стали марки 65 Г, толшиной 10 мм. Термический обработан (закалка на масле - отпуск).

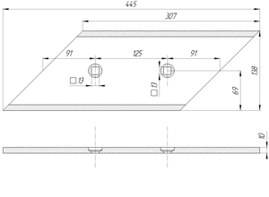
Технические характеристики Лемеха ПСК


1) Длина – 445мм.
2) Ширина - 140 мм.
3) Толщина – 10 мм.
4) Твёрдость HRC – 36…42
5) Количество отверстий – 2шт.
6) Марка Стальи – 65Г
8) диаметр отверстий – Ø13 мм.


Являясь производителями, мы гарантируем высокое качество выпускаемой продукции.





По вопросам доставки и оплаты вы можете связаться с нашими менеджерами по продажам по любому удобному вам способу, указанному в контактах.